|
|
 |
(links) Dia 2820/51
Ein Überblick vom Erzstück
Maßstabbalken: 10 mm
Vergr. 10,5 x
(Unten) Dia 2591/51
Maßstabbalken: 1 mm
Vergr. 18 x
|
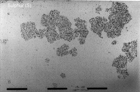
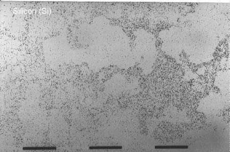
Links der obere rechte Ausschnitt vom Erzstück und
rechts die jeweilige Elementenkarte für Schwefel bzw. Silizium.
|
|
 |
 |
|
|
 |
 |
|
|
|
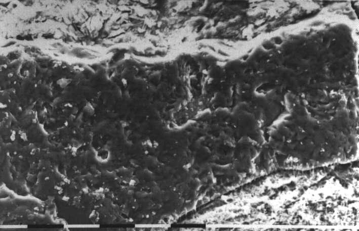
Dia 2823/51
Maßstabbalken: 1 mm
Vergr. 108 x
SEM-Aufnahme
|
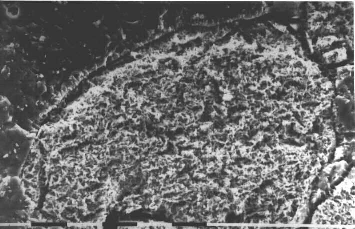
Dia 2825 u. 2824/51
Maßstabbalken: 1 mm
Vergr. 108 x
entsprechende Elementenkarte
|
 |
 |
 |
 |
 |
Dia 2611/51
Maßstabbalken: 0,1 mm
Vergr. 650 x
Vergrößerung des oben umkreisten Ausschnitts
|
 |
Dia 2616/51
Maßstabbalken: 10 µm
Vergr. 1300 x
Weitere Vergrößerung des gleichen Ausschnitts
|
 |
Dia 2619/51
Maßstabbalken: 10 µm
Vergr. 1300 x
Der sulfidische Einschluß, der im obigen Bild nur
angeschnitten wird. Man sieht, daß er mit
Thiobacillen dicht besiedelt ist
|
 |
Dia 2812/51
Maßstabbalken: 1 µm
Vergr. 12000 x
Thiobacillen auf dem siliziumreichen Matrix (Quarz)
direkt neben dem sulfidischen Einschluß
|
 |
Dia 2813/51
Maßstabbalken: 1 µm
Vergr. 32000 x
Weitere Vergrößerung des obigen Bildes
|