 |
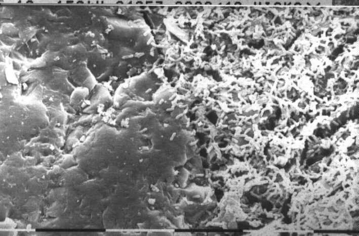
Dia 2896/48
Maßstabbalken: 10 µm
Vergr. 1200 x
|
Wie man sieht und erwartet, ist es hauptsächlich der sulfidische
Einschluß, der mit bakterien besiedelt ist.
|
|
 |
Dia 2897/48
Maßstabbalken: 10 µm
Vergr. 2500 x
|
 |
Dia 2898/48
Maßstabbalken: 10 µm
Vergr. 5500 x
|
 |
Dia 2899/48
Maßstabbalken: 1 µm
Vergr. 10000 x
|
 |
Dia 2889/48
Maßstabbalken: 10 µm
Vergr. 2500 x
| Eine andere Stelle, wo eine Zunge Quarz ein sulfidischer Einschluß
von einem anderen, nicht sulfidischen Einschluß trennt. Nur der sulfidischen
Einschluß ist mit Bakterien dicht besiedelt. |
|