|
|
|
|
|
 |
Das Waschbecken
im Badezimmer
|
 |
Das Stück wollte ich haben!
Das Metallteil vom Abfluß wird an anderer Stelle
untersucht
|
 |
Da ist es
Das Stück, das präpariert und im SEM untersucht
wurde, ist schon
herausgeschnitten worden
|
 |
Dia 3989/33
Maßstabbalken: 10 mm
Vergr. 15 x
|
 |
Dia 2103/33
Maßstabbalken: 1 mm
Vergr. 40 x
Wenn man genau hinschaut, kann man
die Nematoden gerade noch sehen.
|
 |
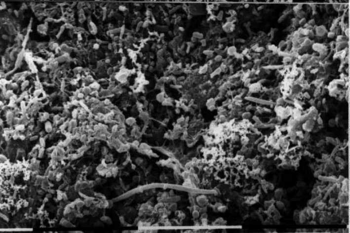
Dia 1939/33
Maßstabbalken: 10 µm
Vergr. 2700 x
Davon leben sie: Mikroorganismen
- hauptsächlich Bakterien
|
 |
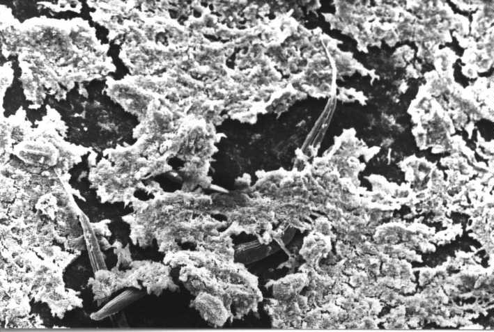
Dia 2108/33
Maßstabbalken: 10 µm
Vergr. 4100 x
Die Mikroorganismen etwas näher betrachtet.
|
 |
Dia 3290/33
Maßstabbalken:
Vergr. ca. 450 x
|
 |
Dia 2107/33
Maßstabbalken:
Vergr. ca. 500 x
|
 |
Dia 2105/33
Maßstabbalken: 0.1 mm
Vergr. 500 x
|
 |
Dia 2106/33
Maßstabbalken: 10 µm
Vergr. 2000 x
|
Wer mir erklären kann, was diese Struktur ist,
die sich über fast die ganze Körperlänge
des Tieres zieht, möchte es auch tun:
Email
|
|
 |
Dia 2095/33
Maßstabbalken: 10 µm
Vergr. 7700 x
Das Mundwerkzeug!
|