|
|
 |
Das metalle Abflußteil
mit dem Stück schon herausgeschnitten,
das fürs SEM präpariert wurde.
|
Wenn Sie das Waschbecken sehen möchten,
klicken Sie HIER
|
|
 |
Dia 1652
Maßstabbalken: 1 mm
Vergr. 18 x
|
 |
Dia 1648
Maßstabbalken: 10 µm
Vergr. 2300 x
|
 |
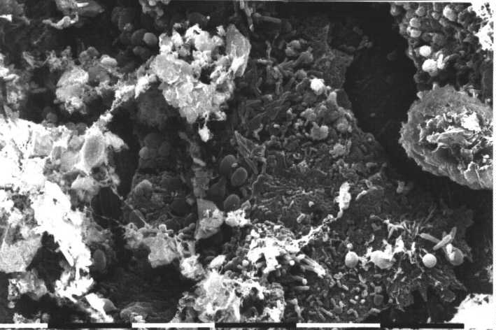
Dia 1645
Maßstabbalken: 10 µm
Vergr. 9400 x
Die große rundliche Körper sind vermutlich Pilze,
eine wohl bei der Knospung.
|
 |
Dia 1650
Maßstabbalken: 10 µm
Vergr. 2300 x
|
 |
Dia 1649
Maßstabbalken: 10 µm
Vergr. 9500 x
|
 |
Dia 1653
Maßstabbalken: 10 µm
Vergr. 6500 x
|