JOCHPILZE (ZYGOMYCETEN)
(alle Bilder lassen sich über die rechte Maustaste mit "Grafik anzeigen" vergrößern!)

 
Dia 1811/
Eine Zygospore von 
Radiomyces spec. 
Vergr. 1150 x
Die schwarzpigmentierte Zygosporangium ist umschlossen von den sogenannten Hüllhyphen. 

Das Bild gibt es auch als Stereoaufnahme, die besonders beeindrückend ist.

 
Dia 1812/
Vergr. 2300 x
Stachelige einsporige Sporangiolen am Kopf des Sporangiolenträgers von
Cunninghamella echinulata
Dia 1706/
Vergr. 250 x
Sporangiolenträger von 
Thamnidium elegans 
die Sporangiolen sind kollaboriert, weil die Präparation durch Gefriertrocknung nicht  gelungen war.
 
 
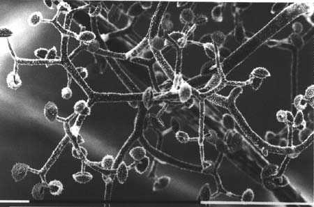
Dia 1707/
Maßstabbalken: 0,1 mm
Vergr. 750 x
Sporangiolenträger mit Sporangiolen von 
Thamnidium elegans 
wie oben