1. BILDREIHE
Röntchen-Mikroanalysen für Silizium (Si), Schwefel (S), Eisen (Fe) und
Kupfer (Cu) an einem geschliffenen Stück Erz (Stub 31)

 
 
Das Erzstück 
auf der Probenbühne vom SEM
Überblick
Maßstabbalken: 10 mm 
 
Die folgende 4 Bildpaare sind vom gleichen Bildausschnitt
Maßstabbalken: 1 mm
 
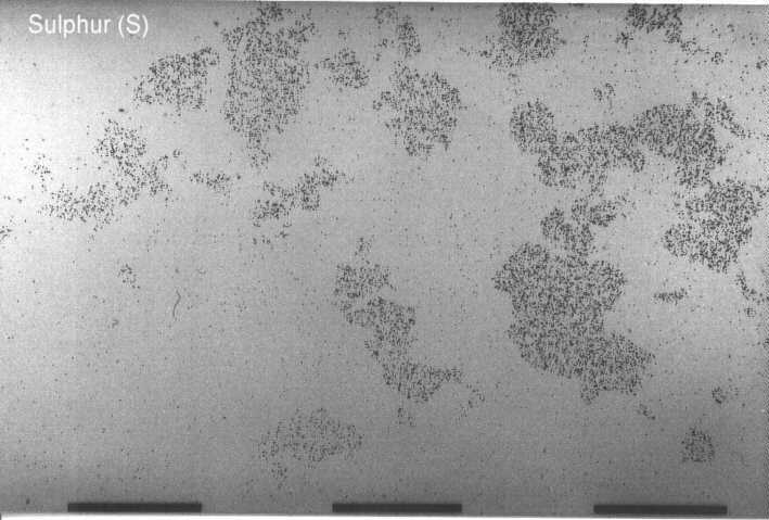
SEM-Aufnahmen
Entsprechende Elementenkarten
Die matrix, die ein besonders hohen Si-Anteil aufweist, besteht vermutlich aus Quarz (SiO2), während einige der Einschüße als Pyrit (FeS) erkennbar sind. Wenigstens ein Einschluß (dessen Form an Australien erinnert) enthält eine erkennbare Menge Kupfer. 
 
Die folgende 3 Flächenanalysen und eine Punktanalyse nehmen 
eben diesen Einschluß genauer unter die Lupe:
Maßstabbalken: 1 mm
 
Links: eine Punktanalyse von der Stelle, die im obrigen Bild (1880) im Fadenkreuz liegt
Dieser Einschluß besteht anscheinend aus einem ziemlich reinen Gemisch aus Eisen- und Kupfersulfid. Keine anderen Elementen werden angezeigt.
 
EDAX Punktanalysen 
von 2 verschiendenen Einschlüßen und Matrixmaterial
Der Analysepunkt wird jeweils durch ein weißes x markiert. In der Praxis wird der Punkt analysiert, der im Fadenkreuz liegt, wie im ersten Bild, das auch als Orientierung für die anderen beiden Analysen herhalten muß. 

Der erste Einschluß enthält Silizium, Aluminium, Magnesium und Eisen, vermutlich in der Form von Metallsilikaten, plus eine ganz kleine Menge Schwefel. 

Im zweiten Bild wird das Matrixmaterial analysiert. Es besteht fast ausschließlich aus Silizium, vermutlich in der Form von Quarz (SiO2), plus eine Spur von Aluminium vermutlich in der Form des Silikats. 

Der Einschluß im 3. Bild besteht eindeutig aus Pyrit (FeS). Ausser Eisen und Schwefel werden keine anderen Elementen angezeigt (Eisensulfat würde eine sehr ähnliches Bild ergeben, weil Sauerstoff, wie andere Elementen  niedriger Ordnungszahl, nicht erkannt wird, aber Eisensulfat sieht makroskopisch ganz anders aus).
 
 
 
SEM-Aufnahme
das weiße x markiert die Stelle der Analyse
Entsprechene EDAX-Punktanalyse
 
 
Zur 2. Bildreihe:  Die ersten Bakterien werden gesichtet!