 |
Der Stöpsel
| Ich hatte mich oft gefragt, woraus dieser schleimige Belag, der sich
immer wieder bildet, besteht. |
|
Wenn sie unbedingt ein Bild von der Spüler sehen wollen, was
sich nicht unbedingt empfehlt, klicken sie
HIER
|
|
 |
Alles wird sorgfältig
dokumentiert!
|
 |
Dia 1820/34
Maßstabbalken: 1 mm
Vergr. 40 x
|
 |
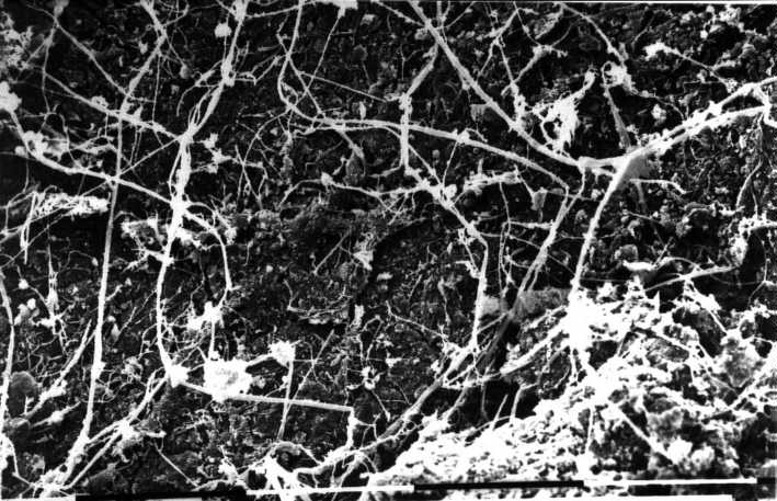
Dia 1821/34
Maßstabbalken: 0,1 mm
Vergr. 300 x
|
 |
Dia 1821/34
Maßstabbalken: 10 µm
Vergr. 1200 x
|
 |
Dia 1818/34
Maßstabbalken: 10 µm
Vergr. 6600 x
(Was das große runde Ding ist, würde ich auch gern wissen.
Falls Sie es wissen, können Sie mir ein
Email schicken)
|
 |
Dia 1823/34
Maßstabbalken: 1 µm
Vergr. 12000 x
|
|
|